-
2N5551 mới được sử dụng trong lĩnh vực sửa chữa điện tử
-
Loại: Transistor
-
Tình trạng: Mới
Giao hàng toàn quốc
Giá sản phẩm chưa bao gồm VAT
2N5551 mới được sử dụng trong lĩnh vực sửa chữa điện tử
Loại: Transistor
Tình trạng: Mới
Tóm tắt nội dung [Ẩn]

Sản phẩm 2N5551 mới
- Dòng điện cực đại của Transistor 2N5551 : IC= 600mA
- Công suất cực đại: PC= 625mW
- Điện áp cực đại:
Uceo= 160V
Ucbo= 180V
Uebo= 6V
- Hệ số khuếch đại( hfe): 80-250
- Tần số cắt (Ft): 100MHz-300MHz
- Loại transistor: NPN
- Nhiệt độ hoạt động: -55 độ C – 150 độ C
- Kiểu chân: To-92
=> Xem thêm: Các loại sò khác tại đây.
Transistor 2N5551 là loại transistor khuếch đại NPN có hệ số khuếch đại hfe là 80 khi dòng thu là 10mA. Nó cũng có những đặc điểm chuyển mạch khá (tần số chuyển đổi là 100MHz) vì vậy có thể khuếch đại mức tín hiệu thấp. Do đặc điểm trên nên linh kiện này thưởng được dùng để khuếch đại âm thanh hay tín hiệu công suất thấp khác. Chính vì thế, nếu như bạn đang tìm kiếm một transistor NPN cho mạch khuếch đại thì loại transistor này có thể là lựa chọn thích hợp.

Hình ảnh sơ đồ chân của 2N5551
Transistor 2N5551 được sản xuất ở trong vỏ nhựa TO-92. Khi nhìn vào mặt phẳng với những chân hướng xuống dưới, 3 chân của transistor theo thứ tự từ trái qua phải sẽ là cực phát (e), gốc (b) và cực thu (c). Loại transistor 2N5551C hậu tố “C” với collectot trung tâm.
Những transistor NPN thay thế cho 2N5551 đó là: BC549, BC636, BC639, BC547, 2N2369, 2N3055, 2N3904, 2N3906, 2SC5200.
Những transistor tương đương với 2N5551 đó là: NTE194, 2N5833, 2N5088, 2N3055, 2N5401 (PNP).
Transistor cùng họ: 2N5550.
Những ứng dụng của transistor này đó là:
Bộ khuếch đại công suất thấp
Bộ khuếch đại dòng điện
Booster tín hiệu nhỏ
Bộ khuếch đại âm thanh hay khuếch đại những tín hiệu khác
Cặp darlington
Transistor NPN 2N5551 được sử dụng một cách rộng rãi có tác dụng khuếch đại. Một mạch tối thiểu trần đơn giản để một bóng bán dẫn hoạt động như một bộ khuếch đại được hiển thị bên dưới. Cũng có thể tìm thấy được đồ thị mô phỏng cho thấy sóng sin đầu ra được khuếch đại.
Tại đây, sóng hình sin đầu vào có cường độ 8mV (màu vàng) được khuếch đại lên thành 50mV (màu hồng) như ở trong đồ thị. Trong mạch trên, những điện trở R3 và R4 tạo thành bộ chia điện thế quyết định điện áp cơ bản (VBE). Điện trở R1 là điện trở tải và điện trở R2 là điện trở phát. Khi thay đổi giá trị của R L sẽ ảnh hưởng tới độ khuếch đại của sóng đầu ra.
Một bóng bán dẫn thường là bộ khuếch đại dòng điện có nghĩa là dòng điện chạy qua đế sẽ được khuếch đại ở trong dòng điện chạy qua bộ thu. Sự khuếch đại này sẽ phụ thuộc vào hệ số khuếch đại (HFE) là 80 đối với 2N5551. Điều này có nghĩa là dòng điện thu sẽ được khuếch đại gấp 80 lần so với dòng điện cơ bản.
Ic = βIb
Một dòng điện khác mà đã xem xét là dòng phát (IE) tuy nhiên do hoạt động của bóng bán dẫn chúng tôi giả định dòng phát gần như bằng giá trị của dòng Collector. Tuy vậy sẽ khác biệt giữa cả 2 có thể được tìm thấy với giá trị của α. Thông thường giá trị của dòng điện thu sẽ được đưa ra bởi: IE = IC + IB
Đầu ra thu được qua bộ thu là điện áp bộ thu – phát (VCE). Điện áp đầu ra phụ thuộc vào điện áp đầu vào (VCC ở đây là 12V) mà không có sụt áp ở trên điện trở tải (R1). Vì thế, điện áp đầu ra Vout có thể được đưa ra là: Vout= VCE= (VCC – IcRc)
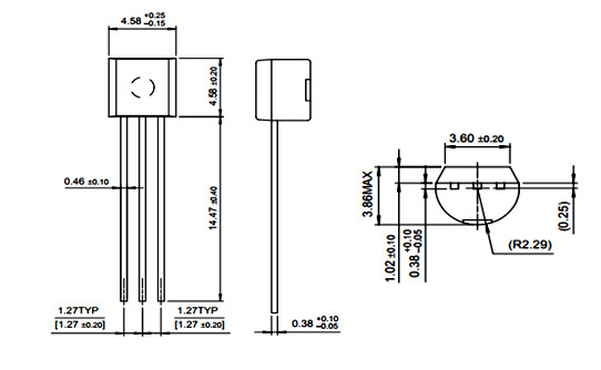
Nếu như bạn đnag thiết kế bo mạch PCD hoặc Perf với thành phần này thì hình ảnh sau từ biểu dữ liệu 2N5551 sẽ hữu ích để biết loại gói và kích thước của nó.


Linh kiện Hudu cung cấp 2N5551 mới có chất lượng tốt cho khách hàng
Khi muốn mua Transistor 2N5551 mới, khách hàng cần lưu ý chọn mua tại địa chỉ uy tín để đảm bảo được cung cấp sản phẩm chất lượng, giá tốt. Bên cạnh đó khi mua Transistor này, khách hàng cũng cần kiểm tra kỹ chất lượng sản phẩm khi nhận hàng.
- Linh kiện điện tử Hudu cung cấp transistor 2N5551 mới chất lượng tốt, khách hàng hoàn toàn yên tâm khi sử dụng.
- Sản phẩm có độ bền cao, thời gian sử dụng lâu dài.
- Mức giá cả sản phẩm hợp lý, cạnh tranh.
- Chính sách đổi mới sản phẩm nếu phát sinh lỗi do nhà sản xuất, sản phẩm hư hỏng trong quá trình vận chuyển.
- Giao hàng nhanh chóng theo địa chỉ yêu cầu, kiểm tra hàng trước khi thanh toán.
Nếu bạn đang muốn mua 2N5551 mới, nhấn ngay vào Đặt hàng để được linh kiện điện tử Hudu cung cấp sản phẩm chất lượng, giá tốt trong thời gian nhanh chóng nhất.